全空軸旋轉編碼器 增量式旋轉編碼器

全空軸旋轉編碼器用途:廣泛應用于自動控制、自動測量、遙控、計算機技術以及在數控機器上作角度和橫、縱坐標的測量等,特別適合電梯行業使用。
全空軸旋轉編碼器特點:內部采用ASIC器件,可靠性高,壽命長,抗干擾性能強,不銹鋼主軸具有更高的穩定性和防護能力。金屬外殼更加牢固抗沖擊。采用無鍵槽鎖緊環固定方式,安裝方便,要變孔徑。
全空軸旋轉編碼器優點:超薄設計,帶部分負載短路保護電路,采用板彈簧與用戶端連接,無鍵槽鎖緊環固定方式,安裝方便。
電氣特性:
|
輸出電路 |
集電極開路輸出 |
電壓輸出 |
互補輸出 |
長線驅動輸出 |
|
電源電壓Vcc |
5-26 |
5-26 |
5±0.25 5-26 |
5±0.25 5-26 |
|
消耗電流 |
≤80 mA |
≤80mA |
≤80mA |
≤150mA |
|
負載電流 |
40 mA |
40mA |
40mA |
60mA |
|
輸出H高電平 |
最小Vcc*70% |
最小Vcc-2.5V |
最小Vcc-1.5V |
最小Vcc 3.4V |
|
輸出低高電平 |
最大0.4V |
最大0.4V |
最大0.8V |
最大0.4V |
|
上升時間Tr |
MAX 1us |
MAX 1us |
MAX 1us |
MAX 200us |
|
下降時間Tf |
MAX 1us |
MAX 1us |
MAX 1us |
MAX 200us |
|
最高頻率響應 |
300kHz |
300kHz |
300kHz |
300kHz |
機械特性:
|
每分鐘最大轉速r/min |
起動扭矩 |
軸最大負荷 |
抗沖擊 |
抗振動 |
|
5000 |
<0.01Nm |
徑向60N 軸向30N |
50G/11ms |
10G 10-2000Hz |
|
轉動慣量 |
工作溫度 |
儲存溫度 |
防護等級 |
重量 |
|
4X10-5kg㎡ |
-25~85℃ |
-35~95℃ |
IP50 |
400g |
接線表:
|
信號 |
A |
B |
Z |
A- |
B- |
Z- |
Vcc |
GND |
|
顏色 |
綠 |
白 |
黃 |
棕 |
灰 |
橙 |
紅 |
黑 |
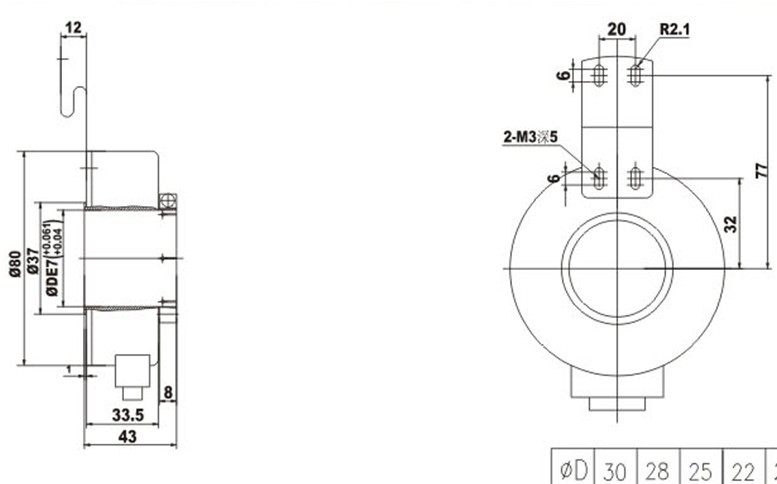
外形尺寸:

如需了解更多關于軸套旋轉編碼器 增量式旋轉編碼器 全空軸旋轉編碼器,請聯系我們,感謝光臨! |